Beskrivning

Applikation

Den pneumatiska tryckströmbrytaren är en mekanisk tryckströmbrytare som ansluts till en sändarenhet artikelnummer 5020SUS via anslutningskabel artikelnummer 5030ZV.
Används för övervakning av pneumatiskt tryck, exempelvis i ett pneumatisk klämsystem.
Brytarsignalen vid inställd kopplingspunkt skickas trådlöst från sändarenheten till Gateway.

Egenskaper
Sensortyp mekanisk tryckströmbrytare
Pneumatisk anslutning G1/4 invändig
Elektrisk anslutning trepolig M12 x 1
Infästning med skruv

Observera
Sändarenhet och anslutningskabel beställs separat
Datablad finns att få på förfrågan

Passande tillbehör finns även för övriga storlekar på förfrågan.


Artikelnummer 564140

Arbetstryck 1 till 16 bar
Kapslingsklass IP67
Vikt 295 g

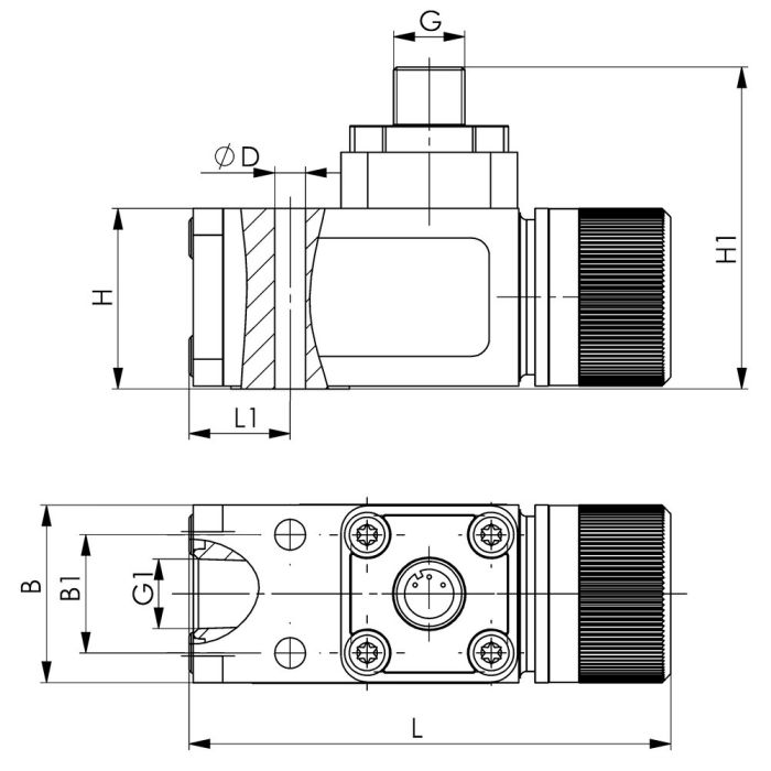
Mått
b 30
B1 20
dia. D 5,2
G M12 x 1
G1 G1/4
H 31
H1 54
L 81
L1 17


Tillbehör

Anslutningskabel
Artikelnummer 564141
För anslutning av tryckströmbrytare artikelnummer 5020D02 till sändarenhet artikelnummer 5010SUS
Kabellängd 300 mm

Sändarenhet
Artikelnummer 554178
Batteritid upp till 1,5 år