Märkningsnål

Passar AMF‑Marker Slimline nr 1590MSL.

Se artikelnummer nedan:

Beskrivning

Information

Märkningsnålar för AMF‑Marker Slimline finns i centriskt utförande och är avsedda för mycket små tecken med hög precision.
Båda nålarna är optimerade för märkning i trånga utrymmen och bearbetning av plast, stål och rostfritt stål.


Centriska märkningsnålar

Artikelnummer 550483

Radie 0,3 mm
Excentricitet 0,0 mm
Minsta teckenstorlek läsbar från ca 1,2 mm

Artikelnummer 550482

Radie 0,5 mm
Excentricitet 0,0 mm
Minsta teckenstorlek läsbar från ca 2 mm


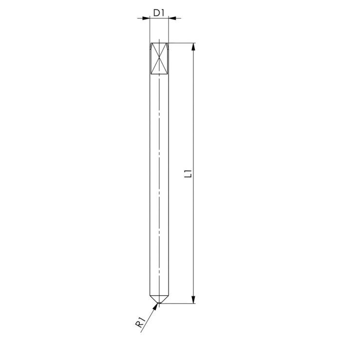
Teknisk data

Artikelnummer 550482

Typ MSLN‑90R05 Ex00
D1 3 mm
L1 42 mm
R1 0,5 mm
Vikt 4 g

Artikelnummer 550483

Typ MSLN‑90R03 Ex00
D1 3 mm
L1 42 mm
R1 0,3 mm
Vikt 4 g

AMF Marker/ Automation