Spännhylsefäste för invändig fastspänning

Spännhylsefäste tillverkat av hög hållfasthetsaluminium, hårdanodiserat. Med låssnäppring av härdat stål, brunerat.

Se storlekar och artikelnummer nedan:

Beskrivning

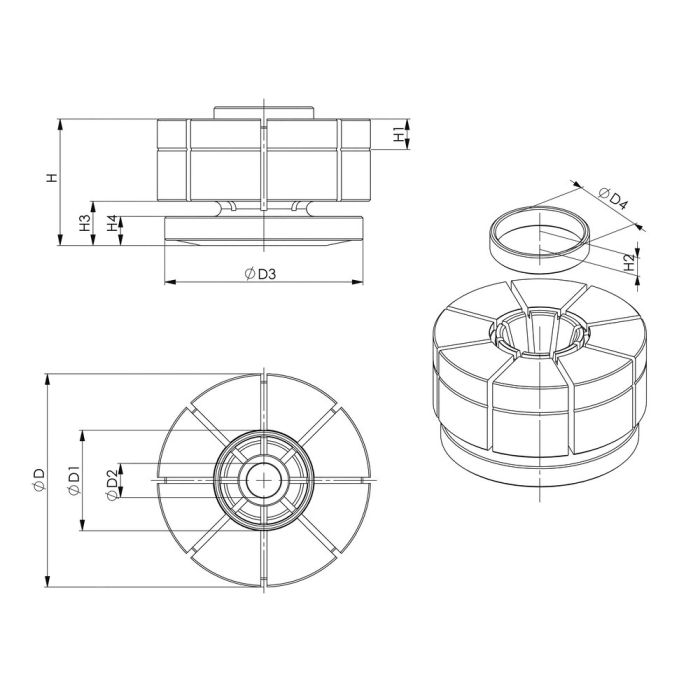
Teknisk data – huvudmått

Art.nr 567125

Storlek: 10
D: 70 mm
D1: 32,7 mm
Fastspännslag (Ø): 0,3 mm
H: 41,5 mm
Vikt: 327 g


Art.nr 567126

Storlek: 20
D: 99 mm
D1: 44,7 mm
Fastspännslag (Ø): 0,3 mm
H: 46,5 mm
Vikt: 779 g


Art.nr 572089

Storlek: 20
D: 149 mm
D1: 84,5 mm
Fastspännslag (Ø): 0,3 mm
H: 64,5 mm
Vikt: 1840 g


Art.nr 572693

Storlek: 10
D: 70 mm
D1: 25,4 mm
Fastspännslag (Ø): 0,3 mm
H: 41,5 mm
Vikt: 335 g


Art.nr 572694

Storlek: 20
D: 99 mm
D1: 34,7 mm
Fastspännslag (Ø): 0,3 mm
H: 46,5 mm
Vikt: 760 g


Teknisk data – detaljmått

Art.nr 567125

D2: 11,2 mm
D3: 65 mm
D4:
H1: 10 mm
H2: 7 mm
H3: 14,5 mm
H4: 9,5 mm


Art.nr 567126

D2: 16,0 mm
D3: 90 mm
D4:
H1: 10 mm
H2: 10 mm
H3: 14,5 mm
H4: 9,5 mm


Art.nr 572089

D2: 16,0 mm
D3: 90 mm
D4: 129 mm
H1: 25 mm
H2: 10 mm
H3: 14,5 mm
H4: 9,5 mm


Art.nr 572693

D2: 11,0 mm
D3: 65 mm
D4:
H1: 10 mm
H2: 7 mm
H3: 14,5 mm
H4: 9,5 mm


Art.nr 572694

D2: 16,0 mm
D3: 90 mm
D4:
H1: 10 mm
H2: 9 mm
H3: 14,5 mm
H4: 9,5 mm


Design

Spännhylsefästen levereras alltid med låssnäppring.


Användning

Spännhylsefästet monteras med fastsättningssats 6375BI (observera åtdragningsmoment) på baselement 6375M.
För att fixera arbetsstyckeskonturen måste spännhylsefästet klämmas med låssnäppringen. Därefter fräses arbetsstyckeskonturen i spännhylsefästet med ett minsta inspänningsdjup på 10 mm.
Efter detta avlägsnas låssnäppringen och arbetsstycket kan spännas fast.

För nya arbetsstyckeskonturer kan spännhylsefästet bearbetas ned till mått D1.


Observera

Spännhylsefästet måste alltid vara klämt med arbetsstycke eller låssnäppring.
För att eliminera vertikalt spel mellan spännhylsefästet och baselementet måste en lätt förspänning appliceras genom att aktivera dragtappen efter att arbetsstycket placerats.


Fördelar

  • Kan klämma både blinda hål och genomgående hål
  • Idealisk för tunna och känsliga arbetsstycken
  • Arbetsstycket deformeras inte tack vare jämnt radiellt klämtryck
  • Möjliggör flera olika konturer i samma spännhylsa