Spännhylsefäste för invändig fastspänning

Spännhylsefäste tillverkat av hög hållfasthetsaluminium, hårdanodiserat. Med låssnäppring av härdat stål, brunerat.

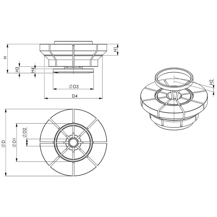
Se storlekar och artikelnummer nedan:

Beskrivning

Design

Spännhylsefästen levereras alltid med låssnäppring.


Användning

Spännhylsefästet monteras med fastsättningssats 6375BI (observera åtdragningsmoment) på baselement 6375M.

För att säkra arbetsstyckeskonturen måste spännhylsefästet klämmas fast med låssnäppringen. Därefter fräses arbetsstyckeskonturen i spännhylsefästet med ett minsta inspänningsdjup på 10 mm.

När konturen är färdigbearbetad avlägsnas låssnäppringen och arbetsstycket kan spännas fast.

För nya arbetsstyckeskonturer kan spännhylsefästet bearbetas ned till diameter D1.


Observera

Spännhylsefästet måste alltid vara klämt med arbetsstycket eller låssnäppringen.

För att eliminera vertikalt spel mellan spännhylsefästet och baselementet ska en lätt förspänning läggas på genom att aktivera dragtappen efter att arbetsstycket har placerats.


Fördelar

  • Inspänning av både blinda hål och genomgående hål
  • Idealisk för tunna och känsliga arbetsstycken
  • Arbetsstycket deformeras inte tack vare jämnt radiellt klämtryck
  • Möjligt att spänna flera olika arbetsstyckeskonturer i samma fäste

Teknisk data – huvudmått

Art.nr 567125

Storlek: 10
D: 70 mm
D1: 32,7 mm
Fastspännslag (Ø): 0,3 mm
H: 41,5 mm
Vikt: 327 g


Art.nr 567126

Storlek: 20
D: 99 mm
D1: 44,7 mm
Fastspännslag (Ø): 0,3 mm
H: 46,5 mm
Vikt: 779 g


Art.nr 572089

Storlek: 20
D: 149 mm
D1: 84,5 mm
Fastspännslag (Ø): 0,3 mm
H: 64,5 mm
Vikt: 1840 g


Art.nr 572693

Storlek: 10
D: 70 mm
D1: 25,4 mm
Fastspännslag (Ø): 0,3 mm
H: 41,5 mm
Vikt: 335 g


Art.nr 572694

Storlek: 20
D: 99 mm
D1: 34,7 mm
Fastspännslag (Ø): 0,3 mm
H: 46,5 mm
Vikt: 760 g


Teknisk data – detaljmått

Art.nr 567125

D2: 11,2 mm
D3: 65 mm
D4:
H1: 10 mm
H2: 7 mm
H3: 14,5 mm
H4: 9,5 mm


Art.nr 567126

D2: 16,0 mm
D3: 90 mm
D4:
H1: 10 mm
H2: 10 mm
H3: 14,5 mm
H4: 9,5 mm


Art.nr 572089

D2: 16,0 mm
D3: 90 mm
D4: 129 mm
H1: 25 mm
H2: 10 mm
H3: 14,5 mm
H4: 9,5 mm


Art.nr 572693

D2: 11,0 mm
D3: 65 mm
D4:
H1: 10 mm
H2: 7 mm
H3: 14,5 mm
H4: 9,5 mm


Art.nr 572694

D2: 16,0 mm
D3: 90 mm
D4:
H1: 10 mm
H2: 9 mm
H3: 14,5 mm
H4: 9,5 mm