Spännback standard

Med en spännbult och två monteringsskruvar
Härdad till 60 HRC.

Se storlekar och artikelnummer nedan:

Beskrivning

Artikelnummer 265835

Storlek 4102‑50
För spännbacksbredd 50 mm
Spännkraft 12 kN
Spännslog 2 mm
Vikt 373 g

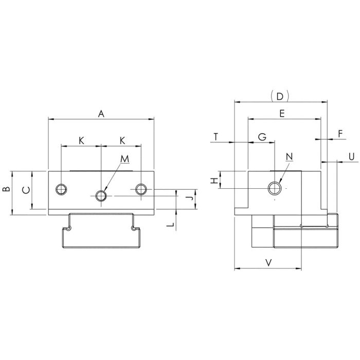
A 49
b 20
C 17
D 40
E 33,7
F 3
G 12,4
H 8
J 8,5
k 18,5
L 5,5
m 6xM5
N 2xM6
T 3,3
U 5
V 28

Artikelnummer 266825

Storlek 4110‑80
För spännbacksbredd 80 mm
Spännkraft 15 kN
Spännslog 2 mm
Vikt 1446 g

A 78
b 32,2
C 22
D 60
E 52
F 4
G 19
H 8
J 11
k 31,5
L 6
m 6xM6
N 2xM6
T 4
U 7
V 42


Med en spännbult och två monteringsskruvar
Härdad till 60 HRC

Passande tillbehör finns också till övriga storlekar på förfrågan.


Tillbehör

Baselement
Artikelnummer 304899
Spännbacksbredd 50 mm, längd 500 mm

Basback standard
Artikelnummer 265793
För spännbacksbredd 50 mm

Spännback utan steg
Artikelnummer 304972
För spännbacksbredd 50 mm

Gripback räfflad
Artikelnummer 266601
För spännbacksbredd 50 mm, djup 9 mm