Nollpunktsspännhylsa (för fastskruvning)

För fastskruvning.
Härdad.

Se storlekar och artikelnummer nedan:

Beskrivning

Användning

Klämhylsan har utvändig gänga och kan exempelvis skruvas direkt i fixturer eller arbetsstycken.

  • Art.nr 559092: Passar alla moduler i storlek 250 och 251

  • Art.nr 569370: Passar alla moduler i storlek 260

  • Art.nr 569372: Passar alla moduler i storlek 270

Observera

Passande monteringsverktyg finns under artikelnummer 6214ZMW.

På förfrågan:

  • Monteringsritningar


Artikelöversikt

Art.nr 559092 – Storlek 250

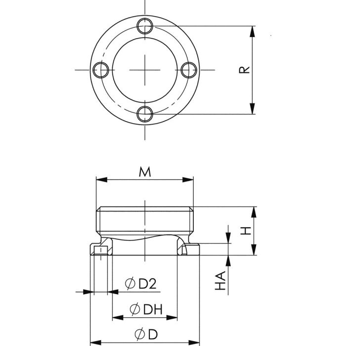
Ytterdiameter D: 18 mm
Ytterdiameter D2: 2,1 mm
Genomgående diameter DH: 10,7 mm
Höjd H: 7 mm
Monteringshöjd HA: 1,95 mm
Gänga m: M16 x 1
Radie R: 14,75 mm
Vikt: 6 g
Tillgänglighet: Finns i lager


Art.nr 569370 – Storlek 260

Ytterdiameter D: 24 mm
Ytterdiameter D2: 2,1 mm
Genomgående diameter DH: 12,05 mm
Höjd H: 10 mm
Monteringshöjd HA: 4 mm
Gänga m: M20 x 1
Radie R: 18 mm
Vikt: 17 g
Tillgänglighet: Finns i lager


Art.nr 569372 – Storlek 270

Ytterdiameter D: 39 mm
Ytterdiameter D2: 4,1 mm
Genomgående diameter DH: 20,05 mm
Höjd H: 17,6 mm
Monteringshöjd HA: 7 mm
Gänga m: M36 x 1
Radie R: 29 mm
Vikt: 89 g
Tillgänglighet: Finns i lager


Passande tillbehör

Monteringsverktyg – Art.nr 569374
Passar alla klämhylsor i storlek 260

Installationsklämmodul – Art.nr 569368
Pneumatisk öppning, storlek RP260