Mekanisk spännhylsa – baselement

Design
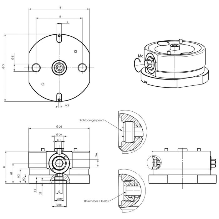
Mekanismen i huset är skyddad mot smuts och kylvätska. Den omgivande spännkanten gör det möjligt att fästa baselementet direkt på maskinbordet, och de plana stödytorna möjliggör fixering i maskinskruvstycke.

Se storlekar och artikelnummer nedan:

Beskrivning

På undersidan finns infästningen kompatibel med AMF:s nollpunktsystem i storlek 10 och 20 samt spår för positionering på AMF:s nollpunktsspännmoduler för indexering.

Baselementet används som grund för montering av spännhylseadaptrar för både utvändig och invändig uppspänning.

Information
Spännhylseadaptrarna 6375ZA (utvändig spänning) och 6375ZI (invändig spänning) måste monteras med respektive fästkit 6375BA eller 6375BI.

Fördelar
Sidledes manövrering möjliggör uppspänning av arbetsstycken med både bottenhål och genomgående hål
Visuell indikering av spänt/oslåppt läge via styrstift på baselementet
Flexibel användning genom att ett och samma baselement kan användas för både utvändig och invändig uppspänning


Tekniska data – baselement

Artikelnummer: 567121
Storlek: 10
Spännslag Ø: 0,3 mm
Max åtdragningsmoment Md: 30 Nm
Nyckelvidd: 10 mm
Diameter D: 81 mm
Höjd H: 40 mm
Vikt: 1259 g

Artikelnummer: 567122
Storlek: 20
Spännslag Ø: 0,3 mm
Max åtdragningsmoment Md: 40 Nm
Nyckelvidd: 13 mm
Diameter D: 117 mm
Höjd H: 56 mm
Vikt: 3633 g


Ytterligare mått

Artikelnummer: 567121
b: 72 mm
B1: 8,4 mm
Diameter d1: 15 mm
Diameter D2: –
Diameter D3: 74 mm
Diameter D4: 11 mm
E1: –
G: M8
G1: M6
H1: 26 mm
H2: 17 mm
H3: 12 mm
k: 8 mm
R: 50 mm
S1: 4,5 mm

Artikelnummer: 567122
b: 105 mm
B1: 13,0 mm
Diameter d1: 25 mm
Diameter D2: 16 mm
Diameter D3: 106 mm
Diameter D4: 16 mm
E1: 11,0 mm
G: M12
G1: M8
H1: 35 mm
H2: 25 mm
H3: 15 mm
k: 8 mm
R: 80 mm
S1: 5,5 mm


Passande tillbehör

Spännhylseadapter för utvändig spänning
Artikelnummer 567123
Storlek 10. Diameter 70 mm. Tillverkad av höghållfast aluminium, hårdanodiserad (EN AW 7075).

Fästkit för spännhylseadapter – utvändig spänning
Artikelnummer 567127
Storlek 10.