Manometer

Tillbehör för AMF‑Cleaner kula‑design
Artikelnummer 17715

Beskrivning

Applikation

Manometern skruvas fast i AMF‑Cleaner kula vertikal kontroll‑design och används för att kontrollera det faktiska kylsmörjmedelstrycket i systemet.

Den är ett viktigt verktyg för att verifiera nödvändigt matningstryck för AMF‑Cleaner samt för att mäta det faktiskt tillgängliga KSS‑trycket i verktygsmaskinen.

Utifrån mätvärdena kan man dra slutsatser om status på pump, filter och tilloppsledning, vilket bidrar till högre driftsäkerhet och stabil rengöringsprocess vid automation.

Egenskaper

Arbetsmedium kylsmörjmedel

Fördelar

Möjlighet att kontrollera maskinens KSS‑tryck
Säker verifiering av det tryck som krävs för AMF‑Cleaner

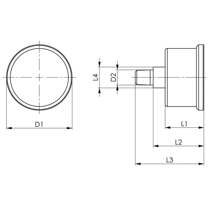
Teknisk data artikelnummer 17715

D1 44 mm
D2 G1/8
L1 26 mm
L2 34 mm
L3 46 mm
L4 14 mm
Max varvtal 100 r/min
Min KSS‑tryck 0 bar
Max KSS‑tryck 60 bar
Vikt 67 g


Passande tillbehör

AMF‑Cleaner kula vertikal kontroll‑design
Artikelnummer 17590
Passar 16 mm Weldon‑hållare