Kulled och adapter

Tillbehör för AMF‑Cleaner stick‑design

Artikelnummer 17699

Beskrivning

Applikation

Kulled

Kulleder används för att skapa en rörlig koppling mellan två eller flera AMF‑Cleaner.
Universaldysan framtill – eller ett extra AMF‑Cleaner‑verktyg – kan vinklas upp till 30 grader via kulleden.
Detta gör det möjligt att rikta rengöringsstrålen exakt mot hål, fickor, underfräsningar och andra svåråtkomliga konturer.

Beställningsinformation:
För att kunna vinkla ett extra AMF‑Cleaner behövs både kulled och adapter tillsammans.

Adapter

Adaptrar används för att koppla samman två eller flera AMF‑Cleaner.
Adaptern skruvas fast i stället för universaldysan och gör det möjligt att variera den totala längden på rengöringsverktyget.

Egenskaper

Arbetsmedium kylsmörjmedel och tryckluft

Fördelar

Modulär konstruktion för individuella applikationer
Kostnadseffektiv expansion av rengöringssystemet


Teknisk data

Artikelnummer 17699 – Kulled

Max varvtal 60 r/min
Min KSS‑tryck 5 bar
Max KSS‑tryck 120 bar
Min lufttryck 5 bar
Max lufttryck 10 bar
Vikt 66 g


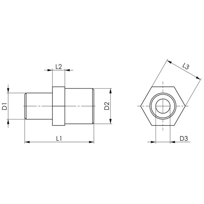
Mått

Artikelnummer 17699

D1 G1/8
D2 G1/4
D3 8 mm
L1 26 mm
L2 34 mm
L3 24 mm


Passande tillbehör

Adapter
Artikelnummer 17673
Tillbehör för AMF‑Cleaner stick‑design

AMF‑Cleaner stick‑design
Artikelnummer 17616

AMF‑Cleaner universaldysor
Artikelnummer 17640
Passar stick‑design standard