Hydraulisk spännhylsa inklusive hus

Artikelnummer: 545582
Öppningstryck: min. 40 bar – max. 60 bar

Beskrivning

Design

Den hydrauliska spännhylsan kräver ett hydraultryck på 40–60 bar för öppning. I avlastat (otrycksatt) tillstånd hålls spännhylseadaptern säkert fastspänd av den integrerade fjäderpaketet.
Huvudhuset är tillverkat av brunerat stål för hög hållfasthet och lång livslängd. Den medföljande spännhylseadaptern har en diameter på 99 mm och är tillverkad av hårdanodiserat höghållfast aluminium.
Den hydrauliska enheten är skyddad mot smuts och kylvätska.
En omkretsande spännkant gör det möjligt att fästa enheten på maskinbordet.
På undersidan finns infästningen för AMF K20 nollpunktsystem samt spår för positionering på AMF:s nollpunktsspännmoduler med indexering.
För automatiserad drift finns en hydraulanslutning på undersidan som är förseglad vid leverans.
Den laterala hydraulanslutningen är anpassad för snabbkoppling med anslutningsgänga G1/4.

Användningsområde
Hydraulspännhylsan används för att spänna komplexa arbetsstyckeskonturer vid 5‑sidig bearbetning. Arbetsstyckets motplatta fräses in i spännhylseadaptern med ett minst 2 mm djupt spännslag.
Eftersom spännkraften verkar jämnt i radiell riktning uppnås en vrid- och skevningsfri fastspänning.
Genom det enkla bytet av spännhylsor kan olika arbetsstycken snabbt och säkert spännas för 5‑sidig bearbetning.
Spännhylseadaptern kan fräsas ned till måttet H1 för att möjliggöra nya arbetsstyckskonturer.

Notering
Med monterad spännhylsa får spännenheten inte stängas utan arbetsstycke.


Tekniska data

Artikelnummer: 545582
Maximal spännkraft*: 13 kN
Spännslag Ø: 0,3 mm
Vikt: 5,6 kg


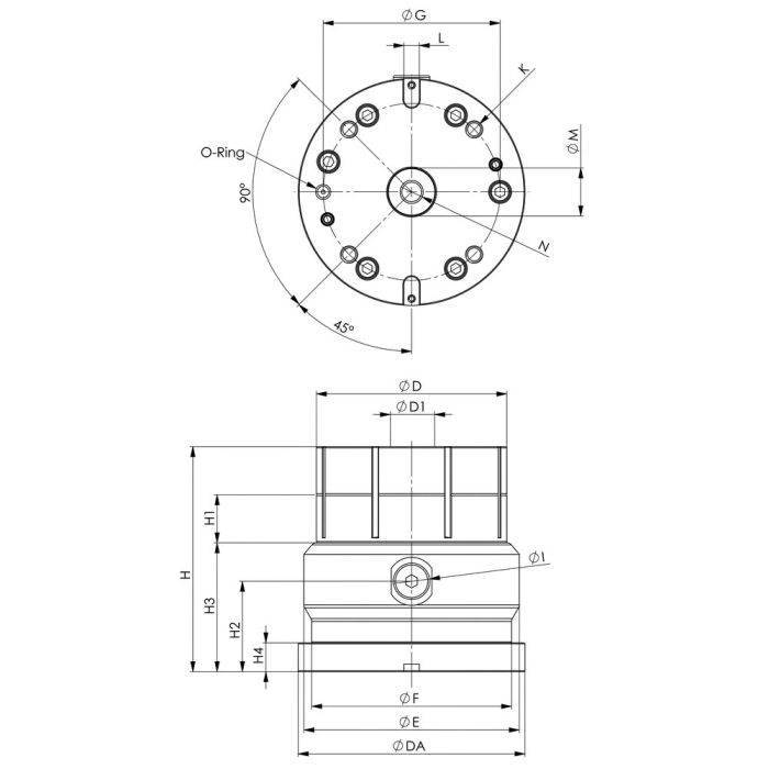
Mått

Artikelnummer: 545582
Diameter D: 99 mm
Diameter d1: 23 mm
Diameter DA: 118 mm
Diameter E: 112 mm
Diameter F: 104 mm
Diameter g: 92 mm
Höjd H: 117 mm
Höjd H1: 25 mm
Höjd H2: 47 mm
Höjd H3: 67 mm
Höjd H4: 15 mm
Gänga l: G1/4
Gänga M: M8
k: 8 K7
L: 25 mm
Gänga N: M12


Förklaring av maximal spännkraft

Den angivna maxspännkraften på 13 kN avser den axiella kraft som appliceras på spännhylsan.
Den verkliga spännkraften på arbetsstycket varierar beroende på bearbetningshöjd och uppspänningsförhållanden.