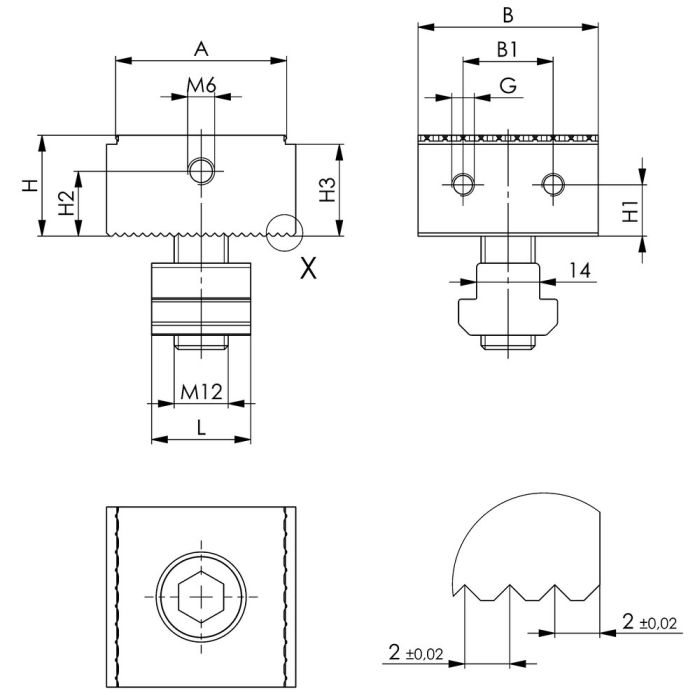
Fast spännback med klor

2 mm lägre spännstege.
Med fastsättningsskruv och T‑mutter.

Se storlekar och artikelnummer nedan:

Beskrivning

Utförande

Material seghärdat stål 21MnCr5
Genomhärdad och seghärdad till 52 HRC
Härddjup 0,6 mm

Applikation
Det fasta stoppet placeras på spännskenan via spännskruven och greppar formpassat i 2 mm räfflingen.
Arbetsstycken kan positioneras och spännas med mycket hög spännkraft.

Passande tillbehör finns också till övriga storlekar på förfrågan.


Artikelnummer 429423

Storlek 30
A 38
b 30
B1 15
G M5
H 22,4
H1 11,4
H2 14,4
H3 20,4
L 22
Vikt 250 g


Artikelnummer 429449

Storlek 40
A 38
b 40
B1 20
G M5
H 22,4
H1 11,4
H2 14,4
H3 20,4
L 22
Vikt 320 g


Artikelnummer 429464

Storlek 50
A 38
b 50
B1 25
G M5
H 22,4
H1 11,4
H2 14,4
H3 20,4
L 22
Vikt 392 g


Artikelnummer 429480

Storlek 72
A 38
b 72
B1 36
G M6
H 29,4
H1 14,9
H2 21,4
H3 27,4
L 44
Vikt 752 g


Tillbehör

Spännskena
Artikelnummer 429050
Storlek 50 × 400 mm

Fast spännback räfflad
Artikelnummer 429365
Bredd 40 mm