AMF-Writer Small

Märkningsverktyg, passar 12 mm spännhylsor och Weldon‑hållare.

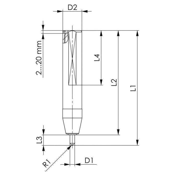
Se storlek och artikelnummer nedan:

Beskrivning

Applikation

Verktyget är idealiskt för märkning av ett stort antal material, exempelvis aluminium, titan, stål, brons, koppar, mässing och plast.

Två nåltyper finns tillgängliga:

Nål 90R05 Ex00
Optimal för märkning med liten teckenstorlek (läsbar från ca 2 mm)
Ger medelbred linjetjocklek
Lämplig för material med hårdhet upp till 55 HRC

Nål 90R03 Ex00
Optimal för mycket små tecken (läsbar från ca 1,2 mm)
Ger smal men djup linjetjocklek
Lämplig för material med hårdhet upp till 57 HRC

Arbetsstyckets ojämnheter kompenseras automatiskt.
Märkhastigheten bestäms av maskinens matningshastighet och är oberoende av spindelvarvtalet.
Ytan kan märkas både torrt och vått.


Egenskaper

AMF‑Writer Small har högkvalitativa styrningar och en robust specialnål.
Inställningen sker steglöst via en invändig justerskruv och justeras med insexnyckel.

Eftersom verktyget behöver tas ur hållaren för att ställas in är det särskilt lämpligt för serieproduktion.
Verktyget används främst i 12 mm spännhylsor eller Weldon‑hållare.


Fördelar

Hög slitstyrka
Lämpligt för märkning av många material
Mycket kompakt konstruktion


Teknisk data – Märkningsverktyg

Artikelnummer 17459

D1 3 mm
D2 12 mm
L1 72 mm
L2 66 mm
L3 6 mm
L4 34 mm

Artikelnummer 17467

D1 3 mm
D2 12 mm
L1 72 mm
L2 66 mm
L3 6 mm
L4 34 mm


Teknisk data – Märkningsnålar

Artikelnummer 17459

Nåltyp 90R05 Ex00
R1 0,5 mm
Varvtalsområde 0–300 r/min
Max märkhastighet 200 mm/min
Vikt 24 g

Artikelnummer 17467

Nåltyp 90R03 Ex00
R1 0,3 mm
Varvtalsområde 0–300 r/min
Max märkhastighet 200 mm/min
Vikt 24 g


Liknande produkter

AMF‑Writer Medium
Artikelnummer 17442
För liten teckenstorlek och medium linjetjocklek, upp till 55 HRC

AMF‑Writer Small
Artikelnummer 17459
För liten teckenstorlek och medium linjetjocklek, upp till 55 HRC

AMF‑Writer Slimline
Artikelnummer 535161
För liten teckenstorlek och smal linje, upp till 57 HRC

AMF Marker Medium
Artikelnummer 552306
För aluminium med märkningsnål 550479

AMF Marker Small
Artikelnummer 550225
Lämplig för plast, stål och rostfritt stål, ytan ska vara bearbetad

AMF Marker Slimline
Artikelnummer 550226
Lämplig för plast, stål och rostfritt stål, ytan kan vara lätt ojämn

AMF Marker/ Automation