AMF-Writer Slimline

Märkningsverktyg med lång, smal spets, passar 12 mm spännhylsor och Weldon‑hållare.

Beskrivning

Applikation

Verktyget lämpar sig särskilt väl för märkning i mycket trånga utrymmen, exempelvis i spår eller fördjupningar.
Det kan användas för märkning av ett stort antal material, såsom aluminium, titan, stål, brons, koppar, mässing och plast.

Två nåltyper finns tillgängliga:

Nål 90R05 Ex00
För liten teckenstorlek, läsbar från ca 2 mm
Ger medium linjetjocklek
Lämplig för material upp till 55 HRC

Nål 90R03 Ex00
För mycket små tecken, läsbar från ca 1,2 mm
Ger smal men djup linje
Lämplig för material upp till 57 HRC

Arbetsstyckets ojämnheter kompenseras automatiskt.
Märkhastigheten styrs av matningshastigheten och är oberoende av spindelvarvtalet.
Märkning kan ske både torrt och vått.


Egenskaper

AMF‑Writer Slimline har högkvalitativa styrningar och en robust specialnål.
Den långa och smala spetsen gör verktyget idealiskt i trånga utrymmen.
Steglös inställning sker via en invändig justerskruv som justeras med insexnyckel.

Verktyget måste tas ur hållaren vid inställning och är därför särskilt lämpat för serieproduktion.
Används främst i 12 mm spännhylsor eller Weldon‑hållare.


Fördelar

Hög slitstyrka
Lämpligt för märkning av många material
Mycket kompakt konstruktion
Lång smal spets för användning i trånga utrymmen, exempelvis spår


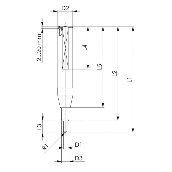
Teknisk data – Märkningsverktyg

Artikelnummer 535146

D1 3 mm
D2 12 mm
D3 6 mm
L1 85 mm
Vikt 28 g
L2 76 mm
L3 9 mm
L4 34 mm
L5 65 mm

Artikelnummer 535161

D1 3 mm
D2 12 mm
D3 6 mm
L1 85 mm
Vikt 28 g
L2 76 mm
L3 9 mm
L4 34 mm
L5 65 mm


Teknisk data – Märkningsnålar

Artikelnummer 535146

Nåltyp 90R05 Ex00
R1 0,5 mm
Varvtalsområde 0–300 r/min
Max märkhastighet 200 mm/min

Artikelnummer 535161

Nåltyp 90R03 Ex00
R1 0,3 mm
Varvtalsområde 0–300 r/min
Max märkhastighet 200 mm/min


Liknande produkter

AMF‑Writer Medium
Artikelnummer 17442
För liten teckenstorlek och medium linje, upp till 55 HRC

AMF‑Writer Small
Artikelnummer 17467
För liten teckenstorlek och smal linje, upp till 57 HRC

AMF‑Writer Slimline
Artikelnummer 535146
För liten teckenstorlek och medium linje, upp till 55 HRC

AMF Marker Medium
Artikelnummer 552306
För aluminium med märkningsnål 550479

AMF Marker Small
Artikelnummer 550225
Lämplig för plast, stål och rostfritt stål, bearbetad yta rekommenderas

AMF Marker Slimline
Artikelnummer 550226
Lämplig för plast, stål och rostfritt stål, ytan kan vara lätt ojämn

AMF Marker/ Automation