AMF-Writer Medium

Märkningsverktyg, passar 20 mm spännhylsor och Weldon‑hållare.

Se storlek och artieklnummer nedan:

Beskrivning

Applikation

Verktyget är idealiskt för märkning av många olika material, såsom aluminium, titan, stål, brons, koppar, mässing och plast.

Två nåltyper finns tillgängliga:

Nål 90R10 Ex00
För större teckenstorlek, läsbar från ca 4 mm
Bred linjetjocklek
Lämplig för material upp till 50 HRC

Nål 90R05 Ex00
För mindre teckenstorlek, läsbar från ca 2 mm
Ger medium men djupare linjetjocklek
Lämplig för material upp till 55 HRC

Arbetsstyckets ojämnheter kompenseras automatiskt.
Märkhastigheten styrs av matningshastigheten och är oberoende av spindelvarvtalet.
Ytan kan märkas torrt eller vått.


Egenskaper

AMF‑Writer Medium har högkvalitativa styrningar och en robust specialnål.
Steglös inställning sker via en invändig justerskruv som justeras med insexnyckel.

Eftersom verktyget måste tas ur hållaren för inställning lämpar det sig särskilt väl för serieproduktion.
Verktyget används främst i 20 mm spännhylsor eller Weldon‑hållare.


Fördelar

Hög slitstyrka
Lämpligt för märkning av flera material
Kompakt konstruktion


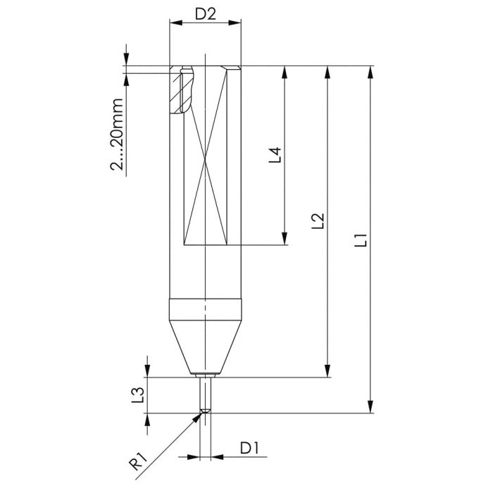
Teknisk data – Märkningsverktyg

Artikelnummer 17434

D1 3 mm
D2 20 mm
L1 97 mm
L2 87 mm
L3 10 mm
L4 50 mm

Artikelnummer 17442

D1 3 mm
D2 20 mm
L1 97 mm
L2 87 mm
L3 10 mm
L4 50 mm


Teknisk data – Märkningsnålar

Artikelnummer 17434

Nåltyp 90R10 Ex00
R1 1,0 mm
Varvtalsområde 0–300 r/min
Max märkhastighet 200 mm/min
Vikt 78 g

Artikelnummer 17442

Nåltyp 90R05 Ex00
R1 0,5 mm
Varvtalsområde 0–300 r/min
Max märkhastighet 200 mm/min
Vikt 78 g


Liknande produkter

AMF‑Writer Large
Artikelnummer 17426
För liten teckenstorlek och medium linjetjocklek, upp till 55 HRC

AMF‑Writer Medium
Artikelnummer 17434
För stor teckenstorlek och bred linje, upp till 50 HRC

AMF‑Writer Small
Artikelnummer 17459
För liten teckenstorlek och medium linje, upp till 55 HRC

AMF‑Writer Slimline
Artikelnummer 535146
För liten teckenstorlek och medium linjetjocklek, upp till 55 HRC

AMF Marker Large
Artikelnummer 550223
Lämplig för stål och rostfritt stål

AMF Marker Medium
Artikelnummer 556949
Lämplig för stål och rostfritt stål

AMF Marker/ Automation