AMF Marker Medium

Märkningsverktyg, lämpligt för 20 mm spännhylsor och Weldon‑hållare

552306: lägre tryckkraft, idealisk för aluminium i kombination med märkningsnål 550479.

556949: högre tryckkraft, idealisk för stål och rostfritt stål.

Märkningsnålar ingår inte som standard.

Beskrivning

Applikation

Material och ytkvalitet

AMF‑Marker Medium är lämpligt för märkning av flera material, särskilt aluminium, plast, stål och rostfritt stål.
Ytan på komponenten kan vara ojämn.

Teckenstorlek och linjebredd

Centrisk märkningsnål används för små tecken och smala linjer.
Excentrisk märkningsnål ger bredare text, särskilt vid rotation av maskinspindeln.

Viktig regel:
Spindelvarvtal (1/min) / 10 = matningshastighet (mm/min)
Maximalt tillåtet spindelvarvtal: 8 000 1/min

Nåltryck och styckestorlek

Nåltrycket justeras med en intern justerskruv.
Eftersom verktyget tas ur hållaren för att justeras rekommenderas det för medelstora och stora serier.


Egenskaper

Snabbt och enkelt nålbyte genom att dra ut märkningsnålen, exempelvis med AMF‑specialtång nr 1530Z
Centrisk och excentrisk märkningsnål tillgänglig
Kompakt konstruktion anpassad för verktygsmagasin i fräsar och svarvar


Fördelar

Märkning av många material, särskilt aluminium, plast, stål och rostfritt stål, även på ojämna ytor
Centrisk och excentrisk märkningsnål finns tillgänglig
Intern justerskruv för inställning av nåltryck
Snabbt nålbyte
Kompakt design för enkel hantering i verktygsmagasin


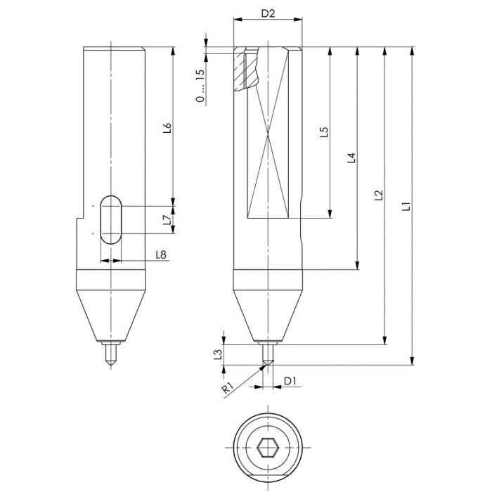
Teknisk data

Artikelnummer 552306

D1 3 mm
D2 20 mm
L1 93 mm
L2 88 mm
L3 6 mm
L4 65 mm
L5 50 mm
L6 46,5 mm
L7 8 mm
L8 6 mm
Vikt 78 g

Artikelnummer 556949

D1 3 mm
D2 20 mm
L1 93 mm
L2 88 mm
L3 6 mm
L4 65 mm
L5 50 mm
L6 46,5 mm
L7 8 mm
L8 6 mm
Vikt 78 g


Passande tillbehör

Märkningsnålar

Artikelnummer 550478
Minsta teckenstorlek ca 2 mm

Artikelnummer 550479
Minsta teckenstorlek ca 4 mm

Artikelnummer 552308
Minsta teckenstorlek ca 5 mm

Artikelnummer 552310
Minsta teckenstorlek ca 6 mm

Artikelnummer 552311
Minsta teckenstorlek ca 7 mm

Specialtång

Artikelnummer 552953
För snabb och säker hantering av märkningsnålar

AMF Marker/ Automation