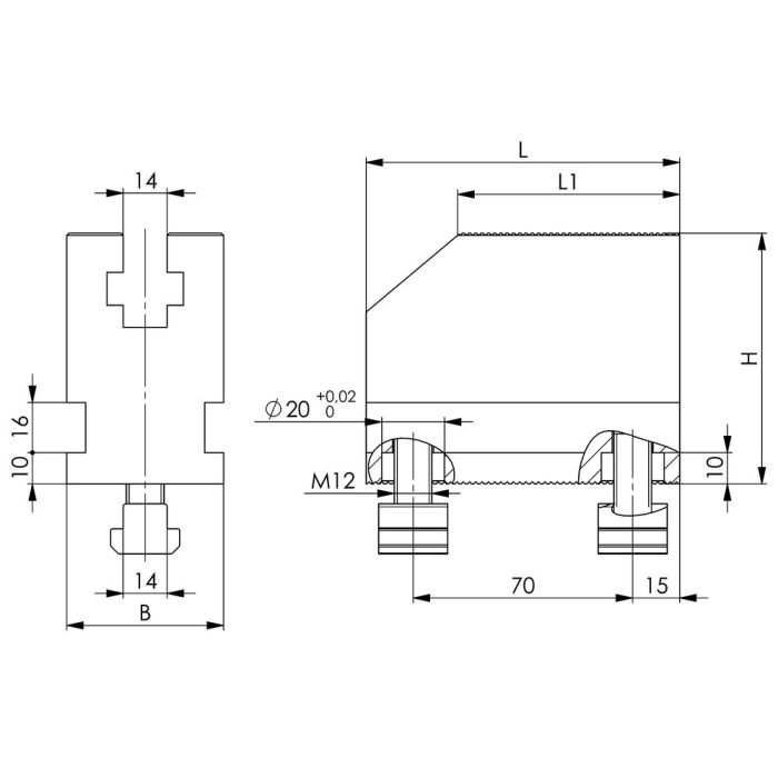
5‑axlig skruvstyckesdesign

Räffling upptill och nedtill.
Med fastsättningsskruv och T‑mutter.

Se storlekar och artikelnummer nedan:

Beskrivning

Utförande

Material seghärdat stål 21MnCr5
Plasmanitrerat
Hårdhet 58 HRC

Applikation
Strukturen för 5‑sidig bearbetning monteras på spännskena 6376G.
Genom räfflingen greppar strukturen formpassat i spännskenan och kan kompletteras exempelvis med:
Kilklämma 6376KA eller 6376KKA
Fast stopp 6376BA eller 6376KA

Denna struktur gör det möjligt att bygga om multipelspännsystemet till en fixtur för 5‑sidig bearbetning.
Omb yggnaden kan utföras med endast några få handgrepp.

Passande tillbehör finns också till övriga storlekar på förfrågan.


Artikelnummer 429472

Storlek 50×100
b 50
H 80
L 100
L1 71
Vikt 2480 g


Artikelnummer 429498

Storlek 80×100
b 80
H 80
L 100
L1 71
Vikt 4080 g


Tillbehör

Spännskena
Artikelnummer 429050
Storlek 50 × 400 mm

Kilklämma med fast spännback, slät
Artikelnummer 429514
För 5‑axligt skruvstycke, bredd 40 mm